ВРЕМЯ РАБОТЫ
пн-пт: 09.00 -18.00
  • Запросить КП
ТЕЛЕФОН:
+7 (495) 215-55-65
ГРАФИК РАБОТЫ:
ВАКУУМНЫЕ ЗАТВОРЫ, КЛАПАНЫ И КОМПОНЕНТЫ

ВЫСОКОВАКУУМНЫЕ ШИБЕРНЫЕ ЗАТВОРЫ С БОЛЬШИМ ДУ 400 - 1320

GNB (США) ведущий американский производитель крупногабаритных вакуумных затворов, камер и других высококачественных комплектующих для создания вакуумных систем. 

ВЫСОКОВАКУУМНЫЕ ШИБЕРНЫЕ ЗАТВОРЫ С БОЛЬШИМ ДУ 400 - 1320

Шиберные затворы ISO 400-1320mm


Технические характеристики:

  • уровень натекания: <1х1019 станд. см куб/сек Не
  • уровень вакуума: 1х1017 мм рт. ст. (1.3 х1017 мбар)
  • герметичность в обоих направлениях с максимальным перепадом давления: 1.5 атм (1.47 бар)
  • максимальная рабочая температура: 400o F (200o C)
  • установка в любом положении
  • соленоид: 24V DC/110 V AC/220V AC
  • пневматическое открытие и закрытие
  • необходимое давление воздуха: 801120 psig( 5.518.3 бар)
Особенности:
  • материал корпуса/шибера: нержавеющая сталь 304L или низкоуглеродистая сталь
  • покрытие: матирование стеклянной дробью, текстурированная, электрополированная или окрашенная низкоугл. сталь
  • уплотнение штока: двойное кольцевое или лабиринтное. Герметичность на протяжении до 1 млн циклов*
  • привод: электропневматический, электро и гидравлический
  • магнитные индикаторы положения в станд. комплектации
  • уплотнительные кольца Viton или Buna на фланце, шибере, крышке, штоке
  • не требует смазки – устойчив к загрязнениям
  • без пружин, надежный механизм, рассчитанный на 2 млн. циклов
  • простое обслуживание – не требуется снимать корпус затвора

* в условиях чистого вакуума

ВЫСОКОВАКУУМНЫЕ ШИБЕРНЫЕ ЗАТВОРЫ С БОЛЬШИМ ДУ 400 - 1320

Шиберный затвор c защитным металлическим кольцом


Технические характеристики:

  • уровень натекания: <1х1019 станд. см куб/сек Не
  • уровень вакуума: 1х1017 мм рт. ст. (1.3 х1017 мбар)
  • герметичность в обоих направлениях с максимальным перепадом давления: 1.5 атм (1.47 бар)
  • максимальная рабочая температура: 400o F (200oC)
  •  установка в любом положении
  • соленоид: 24V DC/110 V AC/220V AC
  • пневматическое открытие и закрытие
  • необходимое давление воздуха: 801120 psig( 5.518.3 бар)

Используется в условиях сильного загрязнения

Особенности:

  • материал корпуса/шибера: нержавеющая сталь 304L или низкоуглеродистая сталь
  • покрытие: матирование стеклянной дробью, текстурированная, электрополированная или окрашенная низкоугл. сталь
  • уплотнение штока: двойное кольцевое или лабиринтное. Герметичность на протяжении до 1 млн циклов*
  • привод: электропневматический, электро и гидравлический
  • магнитные индикаторы положения в станд. комплектации
  • уплотнительные кольца Viton или Buna на фланце, шибере, крышке, штоке
  • не требует смазки – устойчив к загрязнениям
  • без пружин, надежный механизм, рассчитанный на 2 млн. циклов
  • простое обслуживание – не требуется снимать корпус затвора
* в условиях чистого вакуума 

ВЫСОКОВАКУУМНЫЕ ШИБЕРНЫЕ ЗАТВОРЫ С БОЛЬШИМ ДУ 400 - 1320

Шиберный затвор c защитным металлическим кольцом


Технические характеристики:

  • уровень натекания: <1х1019 станд. см куб/сек Не
  • уровень вакуума: 1х1017 мм рт. ст. (1.3 х1017 мбар)
  • герметичность в обоих направлениях с максимальным перепадом давления: 1.5 атм (1.47 бар)
  • максимальная рабочая температура: 400o F (200o C)
  • установка в любом положении
  • соленоид: 24V DC/110 V AC/220V AC
  • пневматическое открытие и закрытие
  • необходимое давление воздуха: 801120 psig( 5.518.3 бар)

Особенности:

  • материал корпуса/шибера: нержавеющая сталь 304L или низкоуглеродистая сталь
  • покрытие: матирование стеклянной дробью, текстурированная,
  • электрополированная или окрашенная низкоугл. сталь
  • уплотнение штока: двойное кольцевое Герметичность на протяжении 100 тыс. циклов*
  • привод: электропневматический, электро и гидравлический
  • магнитные индикаторы положения в станд. комплектации
  • уплотнительные кольца Viton или Buna на фланце, шибере, крышке, штоке
  • не требует смазки – устойчив к загрязнениям
  • без пружин, надежный механизм, рассчитанный на 2 млн. циклов
  • простое обслуживание – не требуется снимать корпус затвора 

* в условиях чистого вакуума 

ВЫСОКОВАКУУМНЫЕ ШИБЕРНЫЕ ЗАТВОРЫ С БОЛЬШИМ ДУ 400 - 1320

Угловой затвор большого размера


Технические характеристики:

  • уровень натекания: <1 х 1019 станд. см куб/сек Не
  • уровень вакуума: 1 х 1017 мм рт. ст. (1.3 х 1017 мбар)
  • герметичность в обоих направлениях с максимальным перепадом давления: 1.0 атм (1.01 бар)*
  • максимальная рабочая температура: 400oF (200oC)
  • установка приводом вверх
  • соленоид: стандартный 24V DC
  • пневматическое открытие и закрытие
  • необходимое давление воздуха: 801120 psig( 5.518.3 бар)

Особенности:

  • материал корпуса/запирающего механизма: нержавеющая сталь 304L или низкоуглеродистая сталь
  • покрытие: матирование стеклянной дробью, текстурированная, электрополированная или окрашенная низкоугл. сталь 
  • привод: электропневматический в стан1 дартной комплектации 
  • магнитные индикаторы положения в стандартной комплектации 
  • уплотнительные кольца Viton или Buna на фланце, корпусе, запирающем механизме и штоке 
  • создан для надежной работы даже в промышленных условиях

* для размеров до 500 мм в станд. комплектации 

ВЫСОКОВАКУУМНЫЕ ШИБЕРНЫЕ ЗАТВОРЫ С БОЛЬШИМ ДУ 400 - 1320

Щелевой затвор


Технические характеристики:

  • уровень натекания: <1 х 1019 станд. см куб/сек Не
  • уровень вакуума: 1 х 1017 мм рт. ст. (1.3 х 1017 мбар)
  • герметичность в обоих направлениях с максимальным перепадом давления: 1.5 атм (1.47 бар)
  • максимальная рабочая температура: 400oF (200oC)
  • установка в любом положении
  • соленоид: стандартный 24V DC/110V AC/220V AC
  • пневматическое открытие и закрытие
  • необходимое давление воздуха: 801120 psig ( 5.518.3 бар)

Особенности:

  • материал корпуса/заслонки: алюминий 6061 или нержавеющая сталь 304L, внутр. детали 304 SST 
  • покрытие: матирование стеклянной дробью, текстурирование, электрополировка 
  • двойное кольцевое уплотнение штока с гермовводом, срок службы 100 тыс. циклов, или лабиринтное, до 1 млн циклов* 
  • привод: электропневматический, электро, гидравлический • магнитные индикаторы положения в стандартной комплектации 
  • уплотнительные кольца Viton или Buna на фланце, запирающем механизме и штоке 
  • не требует смазки – устойчив к загрязнениям 
  • без пружин – надежный механизм, рассчитанный на 2 млн циклов 
  • простое обслуживание – не требуется снимать корпус затвора

* в условиях чистого вакуума 

ВЫСОКОВАКУУМНЫЕ ШИБЕРНЫЕ ЗАТВОРЫ С БОЛЬШИМ ДУ 400 - 1320

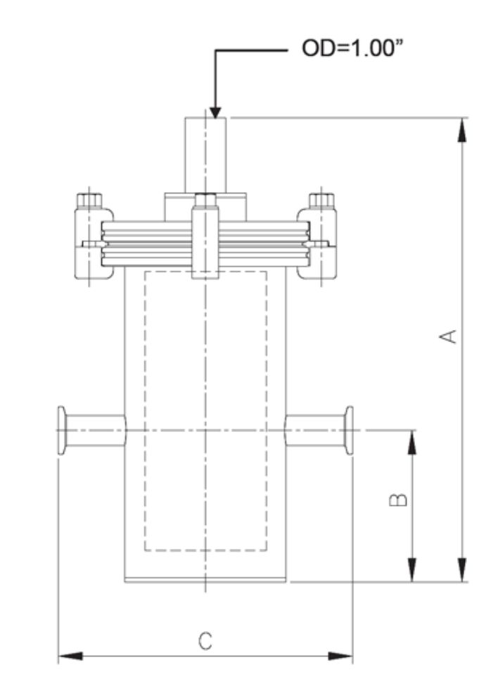
Азотные ловушки


Технические характеристики:

  • уровень натекания: <1 х 1019 станд. см куб/сек Не
  • уровень вакуума: 1 х 1017 мм рт. ст. (1.3 х 1017 мбар)
  • установка: горизонтально или вертикально, необходимо уточнить при заказе

Особенности:

  • материал корпуса: нержавеющая сталь 304L или низкоуглеродистая сталь стмедными шевронами
  • покрытие: матирование стеклянной дробью снаружи и изнутри
  • уплотнительные кольца Viton
  • дополнительно: текстурирование или электрополировка поверхности, фланцытCF, ISO или по заказу 

ВЫСОКОВАКУУМНЫЕ ШИБЕРНЫЕ ЗАТВОРЫ С БОЛЬШИМ ДУ 400 - 1320

Охлаждаемые ловушки

Технические характеристики:

  • уровень натекания: <1 х 1019 станд. см куб/сек Не
  • уровень вакуума: 1 х 1017 мм рт. ст. (1.3 х 1017 мбар)

Особенности:

  • материал корпуса: нержавеющая сталь 304L с медными шевронами
  • покрытие: матирование стеклянной дробью снаружи и изнутри
  • уплотнительные кольца Viton

ВЫСОКОВАКУУМНЫЕ ШИБЕРНЫЕ ЗАТВОРЫ С БОЛЬШИМ ДУ 400 - 1320

Азотная заливная ловушка


В нашей компании вы можете выбрать и купить вакуумную арматуру, клапаны, затворы, компоненты вакуумных систем, узнать характеристики и подобрать модель, исходя из вашего технического задания. Актуальная цена на вакуумное оборудование предоставляется по запросу. Свяжитесь с нами любым удобным для вас способом.

ЗАПРОСИТЬ КОНСУЛЬТАЦИЮ ПОСМОТРЕТЬ КОНТАКТЫ
Cookie-файлы
Настройка cookie-файлов
Детальная информация о целях обработки данных и поставщиках, которые мы используем на наших сайтах
Аналитические Cookie-файлы Отключить все
Технические Cookie-файлы
Другие Cookie-файлы
Мы используем файлы Cookie для улучшения работы, персонализации и повышения удобства пользования нашим сайтом. Продолжая посещать сайт, вы соглашаетесь на использование нами файлов Cookie. Подробнее о нашей политике в отношении Cookie.
Понятно Подробнее
Cookies