Рефрижераторы Гиффорда-МакМагона
КРИОРЕФРИЖЕРАТОРЫ НА 4 К
Инновационная разработка Sumitomo. Холодопроизводительность не зависит от ориентации криорефрижератора. Находят применения в создании "сухих" сверхпроводящих систем, реконденсаторов жидкого гелия, в исследовательских криостатах и т.д.
| Модель | Холодопроизводительность при 50 Гц | Холодопроизводительность при 50 Гц | |
| Холодопроизводительность 1-ой ступени | Холодопроизводительность 2-ой ступени | ||
| SRDK-415D | 35 Вт @ 50 К | 1,5 Вт @ 4,2 К | |
| SRDK-408D2 | 34 Вт @ 40 К | 1 Вт @ 4,2 К | |
| SRDK-205D | 3 Вт @ 50 К | 0,5 Вт @ 4,2 К | |
| SRDK-305D | 15 Вт @ 40 К | 0,4 Вт @ 4,2 К | |
| SRDK-101D | 3 Вт @ 60 К | 0,1 Вт @ 4,2 К |
КРИОРЕФРИЖЕРАТОРЫ НА 4 К
Криорефрижератор двухступенчатый SRDK-415D

КРИОРЕФРИЖЕРАТОРЫ НА 4 К
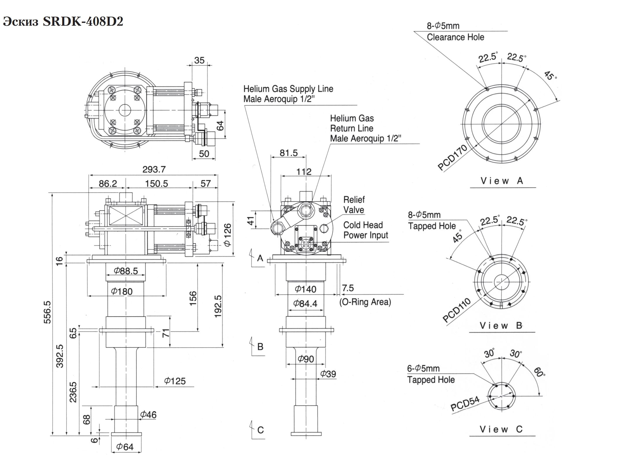
Криорефрижератор двухступенчатый SRDK-408D2
КРИОРЕФРИЖЕРАТОРЫ НА 4 К
Криорефрижератор двухступенчатый SRDK-205D

КРИОРЕФРИЖЕРАТОРЫ НА 4 К
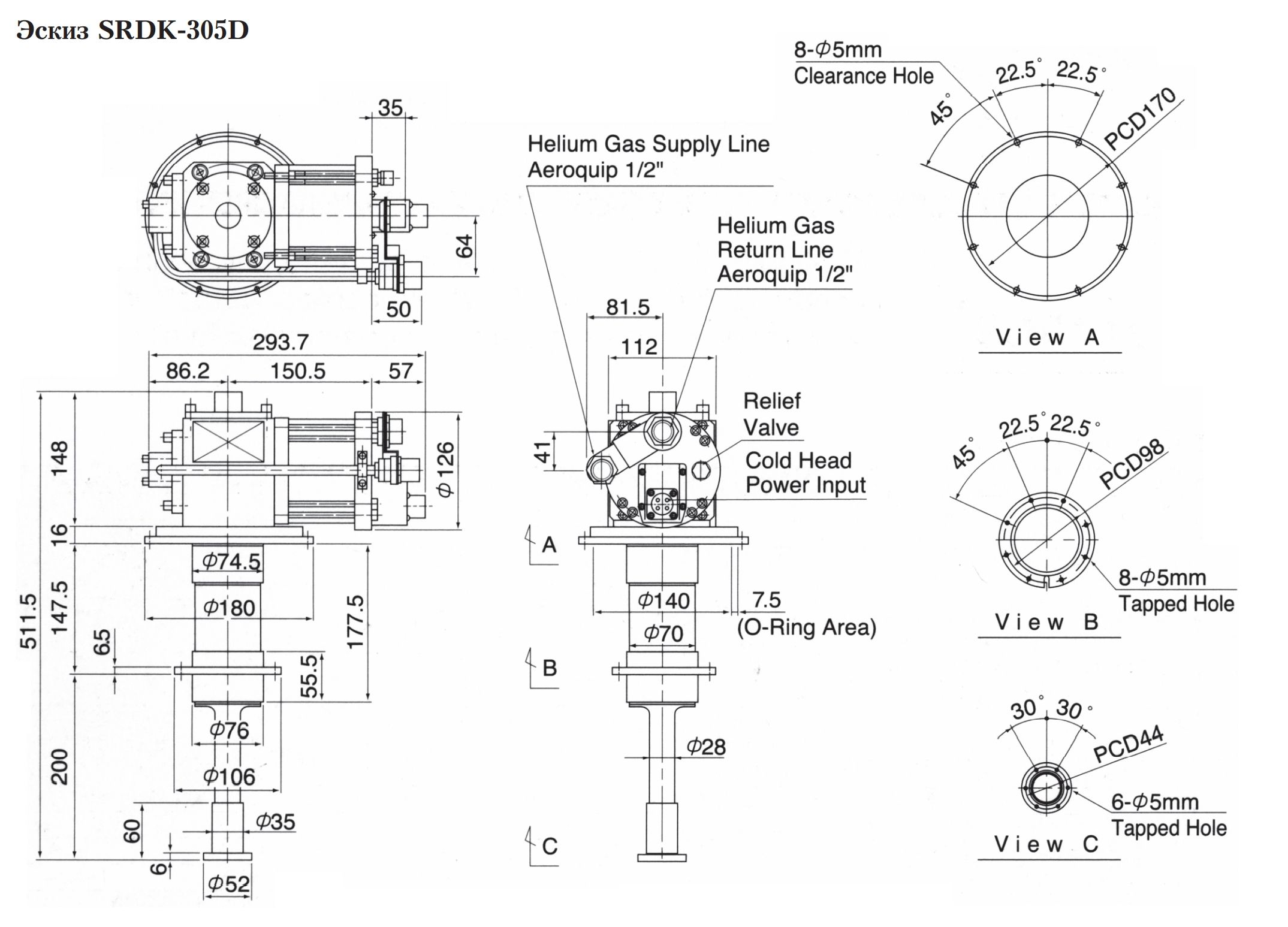
Криорефрижератор двухступенчатый SRDK-305D
КРИОРЕФРИЖЕРАТОРЫ НА 4 К
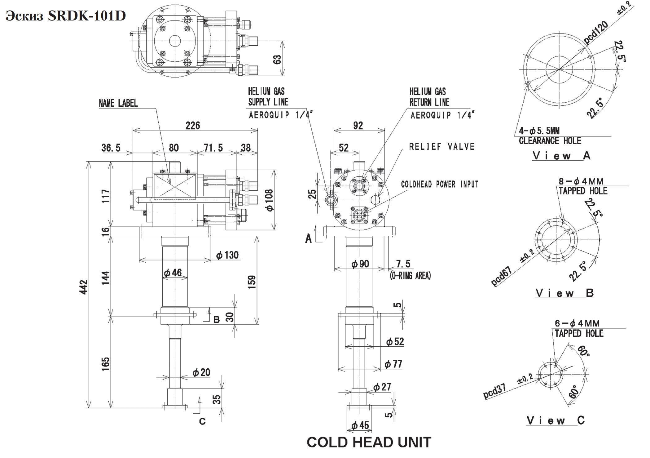
Криорефрижератор двухступенчатый SRDK-101D

В нашей компании вы можете выбрать и купить рефрижераторы Гиффорда-МакМагона, узнать характеристики и подобрать модель, исходя из вашего технического задания. Актуальная цена на вакуумное оборудование предоставляется по запросу. Свяжитесь с нами любым удобным для вас способом.




